?

施耐德ATV31系列變頻器廣泛應用于電梯、紡織、機床、起重運輸和港口等行業,以下是施耐德ATV31系列變頻器常見故障案例。
	故障現象:變頻器在氣候潮濕,高溫又飛絨多的環境中使用三年以上的變頻器有近80%的都會出現此報警,當出現此類故障報警后,面板按鍵不起作用。
	
	故障原因:施耐德ATV31H系列變頻器使用了薄膜面板,當顯示“INF”故障時,薄膜按鍵都不起作用。從顯示板上拔出薄膜插線,用萬用表測量可以知道第二根線與第七根線已經斷路。薄膜無法修復。
	
	維修辦法:由于損壞量大,從節約角度出發,不更換薄膜。找到顯示板上的CN11插座從PCB面用導線直接將2腳與7腳連接,故障消失。
	2.OLF故障報警
	機器型號:ATV31HU22N4/2.2KW變頻器
	
	故障現象:機器運轉一段時間后停機保護,面板顯示“OLF”,變頻器溫度過高。
	維修方法:經過觀察是24V的風扇不轉,檢查24V電壓正常,更換后機器恢復正常。
	3.OLF故障報警
	機器型號:ATV31HU22N4/2.2KW變頻器
	故障現象:機器運轉一段時間后停機保護,面板顯示“OLF”。
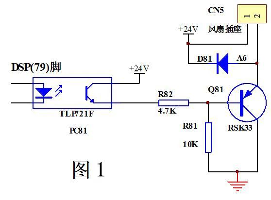
	維修方法:經過觀察24V風扇不轉,檢查風扇端口無24V。實繪原理圖見圖1。風扇的控制信號來自DSP的79腳,經過PC81(TLP721F)光耦來控制Q81(RSK)的導通風扇插座+24V輸出。用萬用表檢查+24V電源電壓正常,檢查Q81的基極控制電壓正常。測量Q81(RKS)損壞。經查貼片元件手冊得知RKS的型號為BFP194。極性為PNP,封裝為SOT23。主要參數為:Ic=100mA、Ib=10mA、Uceo=15V、Ucbo=20V、Uebo=3V。由于無法購買到原件,試用9012代換,機器正常,9012的溫升正常。
	
4.無顯示案例1
	機器型號:ATV31HU75N4/7.5KW變頻器
	故障現象:面板無顯示,控制端口無+10V、+24V。
	
	機器型號:ATV31HU55N4/5.5KW變頻器
	故障現象:面板無顯示,控制端口無+10V、+24V。
	
	機器型號:ATV31HU22N4/2.2KW變頻器
	故障現象:面板無顯示,控制端口無+10V、+24V。
	維修方法:拆開線路板后,有明顯的焦味,目測D16已經燒焦。更換D16(F65J),未插24V風扇,機器正常。插上風扇后,顯示正常,但啟動電動機后,風扇開始運轉,有明顯的焦味,接著顯示消失。打開線路板后,發現D16(F65J)又燒毀,懷疑D16電流太小。更換大電流二極管,通電試機,還是燒毀D16。根據圖1檢查外圍線路正常,考慮風扇是否電流過大,改用0.1A/24V的風扇(原是0.24A/24V的風扇),接通線路后還是燒毀D16,維修陷入絕境。后來考慮到風扇不運轉時+24V正常,風扇運轉后立即燒壞D16,也就是D16不能帶負載。懷疑開關電源的震蕩頻率是否升高,檢查開關線路的震蕩貼片電容,當查到C26時(見圖2),發現沒有容量,用2200P的電容更換后機器恢復正常。
	7.無顯示案例4
	機器型號:ATV31HU55N4/5.5KW變頻器
	故障現象:面板無顯示,控制端口無+10V、+24V。
	維修方法:打開線路板,發現IGBT模塊有明顯的擊穿痕跡,拆開模塊可以看到模塊內的三相橋已經損壞,模塊的型號是西門康公司產的Skiip 31NAB125T12。考慮到模塊價格高且很難購買,平時在維修國產變頻器經常看到用兩只橋堆代替三相橋。就到市場上購買了兩只35A/1200V的單相橋堆,在外殼的鋁板上打兩個孔固定好橋堆。橋堆的接線樁頭一定要用熱縮管包裹好(以防觸電),將接線接入線路板,通電后機器正常,所改裝的變頻器一直使用到現在。用此方法共修復了六臺5.5KW和7.5KW變頻器。大大降低了維修成本。
	8.無顯示案例5
	機器型號:ATV31HU22N4/2.2KW變頻器
	故障現象:面板無顯示,控制端口無+10V、+24V。
	維修方法:打開線路板,發現模塊(FP15R12YT3)已經明顯擊穿,檢查模塊外圍線路發現ZD142、ZD152(16V穩壓管)、D143、D153(A6)、R127、R137(120Ω)已經損壞,更換上述元件后,通電有顯示,但顯示故障代碼“SCF”,查手冊得知是電動機短路。電動機還未接入變頻器,考慮到R127、R137的損壞,更換了下橋驅動集成電路IC101(原型號為TD62930F,替換型號為TD62930FG),通電機器正常。
	9.無顯示案例6
	機器型號:ATV31HU75N4/7.5KW變頻器
	故障現象:面板無顯示,控制端口無+10V、+24V。
	維修方法:打開線路板,發現模塊(Skiip 32NAB125T12)IGBT管已經損壞兩組,查模塊外圍元件,發現ZD171、ZD172(15V穩壓管)、D112、D122(A6)、R111(51Ω)、PC1(HCNW3120)損壞,更換上述元件后,通電顯示正常,但顯示故障代碼“SCF”。考慮到光耦PC1(HCNW3120)的損壞,更換IC102(SN74HC14ANSR)后,故障排除。
	10.INF故障報警
	機器型號:ATV31H075N4/0.75KW變頻器
	維修方法:面板按鍵不起作用,短接CN11的2和7腳后,故障依舊。更換顯示板和薄膜面板后,故障未排除,試更換存儲器IC3(M93C76MN3T)后,故障排除。
	11.CFF故障報警
	機器型號:ATV31HU30N4A/3KW變頻器
	維修方法:查廠家安裝編程手冊為配置故障,進入菜單調整相關參數和恢復出廠設置,均未能排除。更換IC3(F93C76)存儲器后,故障排除。
	12.CRF報警
	機器型號:ATV31HU22N4A/2.2KW變頻器